Home
Email us
ISO 9001:2015 Certified  
CE certified products  
 
 
Rotary Encoders Linear Encoders
50 mm - 300 mm
 
   
   
  Sensor, transducer or readhead paired with a scale that encodes position. The sensor reads the scale in order to convert the encoded position into an analog or digital signal, which can then be decoded into position by a digital readout (DRO) or motion controller.

The encoder can be either incremental or absolute. Motion can be determined by change in position over time. Linear encoder technologies include optical, magnetic, inductive, capacitive and eddy current. Optical technologies include shadow, self imaging and interferometric.
   
  Applications
  SPM's, Power Presses, Hydraulic Presses, Moulding machines
& all similar applications requiring direct measurement of length
   
  Ordering Information
   
 
ENC - L 38 - 50 - 50
 
ENC Encoder
L Linear
38 Section Size - 38mm x 38mm
50 Resolution (MICRON)
50 Length (mm)
   
 
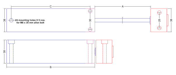
Dimensions
Linear Scale Length
A 50 100 150 200 250 300
B 142 192 242 292 342 392
C 127 177 227 277 327 377
   
 
Output Wave Form

Rotary Encoders Mechanical Specifications
 
   
 
Mechanical Drawing

Rotary Encoders Mechanical Specifications
 
   
 
Connection Details

Rotary Encoders Mechanical Specifications
 
   
   
   
 
Due to continuous development & improvements, Illustration/Specifications are subject to change without notice
 
  Company Profile
  The Market
  Products
   
Rotary Encoders
Resolvers
Linear
Encoders
Industry
Specific Encoders
Electronic
Tacho-Generators
Digital Readouts
Encoder Couplings
Product Catalog
  Our Clients
  Quality Policy
  Enquiry
  Contact Us